Products
HOME > Products
LMZW9-0.66 Current Transformer
  • LMZW9-0.66 Current TransformerLMZW9-0.66 Current Transformer
  • LMZW9-0.66 Current TransformerLMZW9-0.66 Current Transformer

LMZW9-0.66 Current Transformer

Purchase the high-quality LMZW9-0.66 Current Transformer from the Chinese manufacturer Comewill. This transformer is specifically designed for 50Hz AC circuits rated at 0.66kV and below, meeting the critical requirements for precise current monitoring and energy metering in industrial and building power distribution sectors. Utilizing an unsaturated resin casting process, the unit features a robust structure with excellent moisture resistance and thermal stability, effectively reducing maintenance costs throughout its entire lifecycle.
As a professional manufacturer of power equipment in China, Comewill strictly adheres to the IEC 61869 standard, ensuring the stable and reliable performance of the LMZW9-0.66 Current Transformer. Its fixed-mount design simplifies on-site wiring, allowing for seamless integration into various low-voltage power distribution systems—whether for upgrades or new construction projects.

Technical Parameter of LMZW-0.66 current transformer:

Rated Frequency 50/60Hz
Rated voltage 0.6kV or 0.66 kV
Highest voltage for equipment 0.72kV
Power frequency withstand voltage 3kV
Technical standard accords with IEC60044-1:2003 or IEEE STD C57.13-2008
Type Rated primary current(A) Rated output VA(cosФ=0.8lag)
0.2S 0.2 0.5S 0.5 1
LMZ-0.66 75-100 10-3.75 10-3.75 10-3.75 10-3.7510-3.75 10-3.75
LMZ-0.66 150-300 10-3.75 10-3.75 10-3.75 10-3.75 10-3.75
LMZ-0.66 400-750 10-3.75 10-3.75 10-3.75 10-3.75 10-3.75
LMZ-0.66 1000-1500 10-3.75 10-3.75 10-3.75 10-3.75 10-3.75


Product Features

1. Stable Performance

Comewill factory's LMZW9-0.66 Current Transformer is compliant with IEC 61869, IEC60044-1, and IEEE C57.13 standards

Accurate current measurement across a wide range of primary currents (75–1500A)

Rated output of 10–3.75 VA (cosφ=0.8 lag) ensures consistent signal for metering and protection


2. Fixed-Mount Indoor Design

Simplifies wiring and integration into low-voltage switchgear and panels

Reduces installation errors and maintenance requirements

Compact design maximizes use of panel space


3. Wide Operational Range

Operating temperature: -25℃ to +55℃

Relative humidity: ≤90%, no condensation

Altitude: ≤1000 meters above sea level

Pollution-free, dust-free, and corrosive gas-free indoor environments


4. High Safety & Compliance

Power frequency withstand voltage: 3kV

Rated voltage: 0.6–0.66kV, with maximum equipment voltage of 0.72kV

Designed for long-term safe operation in low-voltage distribution networks


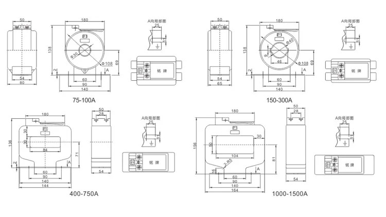
Outline & Installation Dimensions

Welcome (Wenzhou) Electric Co., Ltd


FAQ


Q1: Are you a factory or trading company?

A1: We are a factory, which allows us to offer very competitive prices directly.


Q2: What is your quality control process?

A2: We ensure all products undergo a 100% inspection before shipment.


Q3: When can I expect to receive a price quote?

A3: We typically provide a quote within 24 hours after receiving your inquiry.


Q4: How can I get a sample?

A4: You can purchase a sample, which will include the sample cost and shipping fees. The express delivery charge depends on the quantity and weight of the samples.


Q5: What are the shipping costs?

A5: Shipping costs vary depending on the destination port.


Hot Tags: LMZW9-0.66 Current Transformer, China, Manufacturer, Supplier, Factory, Wholesale, Customized, in Stock, Made in China, Low Price, Quality
Send Inquiry
Contact Info
Send an inquiry to Comewill for switchgear, vacuum circuit breakers, current transformer. Get customized quotes, low prices or expert support from our China factory team.
X
We use cookies to offer you a better browsing experience, analyze site traffic and personalize content. By using this site, you agree to our use of cookies. Privacy Policy
Reject Accept