Products
HOME > Products
JDZX9-35D/290 Voltage Transformer
  • JDZX9-35D/290 Voltage TransformerJDZX9-35D/290 Voltage Transformer
  • JDZX9-35D/290 Voltage TransformerJDZX9-35D/290 Voltage Transformer
  • JDZX9-35D/290 Voltage TransformerJDZX9-35D/290 Voltage Transformer

JDZX9-35D/290 Voltage Transformer

Comewill, a professional voltage transformer manufacturer in China, proudly presents the JDZX9-35D/290 Voltage Transformer, engineered for stable and accurate performance in 35kV power systems.

Designed with epoxy resin casting insulation and fully enclosed outdoor structure, Comewill factory’s quality JDZX9-35D/290 Voltage Transformer ensures high precision, strong durability, and long-term reliability. It is widely used in energy metering, voltage monitoring, and relay protection, making it an ideal solution for modern power grid and industrial applications.

Type Designation

Welcome (Wenzhou) Electric Co., Ltd’s JDZX9-35 voltage transformer, the model contains key structural and usage information, which can be easily disassembled and understood:

The model JDZX9-35 represents key structural and functional characteristics:

J – Voltage Transformer
D – Single-phase structure
Z – Epoxy resin cast insulation
X – With residual voltage winding (for grounding protection)
9 – Design sequence number
35 – Rated voltage: 35kV

This model naming directly highlights the core attributes of JDZX9-35D/290 Voltage Transformer: designed specifically for medium voltage power systems, it adopts cast resin insulation, single-phase structure, and can also be equipped with residual voltage windings, perfectly matching the usage needs of 35kV systems.

Service Conditions

To ensure stable long-term operation, the JDZX9-35D/290 Voltage Transformer should be used under the following conditions:
Installation: Outdoor use only
Ambient Temperature:
Maximum: +40°C
Minimum: -25°C
Daily average ≤ 30°C
Altitude: ≤ 1000m (custom design required for higher altitudes)
Pollution Level: Suitable for Class IV environments
Atmosphere: Free from severe dust or corrosive gases

Technical Data

Type Rated VoltageRatio (V) Accuracy ClassCombination Rated Output(VA) Max Output(VA) Rated InsulationLevel (kV)
JDZX9-35 35000/√3/100/√3/100/3 0.2/6P 30/100 600 40.5/95/200
0.5/6P 50/100
JDZXF9-35 35000/√3/100/√3/100/√3/100/3 0.2/0.2/6P 20/20/100 2×300
0.2/0.5/6P 25/30/100
0.5/0.5/6P 30/30/100

Customization & Usage Guidelines

Comewill, as an experienced China voltage transformer supplier, provides flexible customization services:
Custom voltage ratio and accuracy class available
Tailored solutions for specific project requirements
Support for non-standard designs
Usage Notes:
Use only one voltage ratio at a time for accurate measurement
Avoid simultaneous multi-ratio operation
Provide detailed parameters when ordering to ensure best performance

Application Scenarios

The JDZX9-35D/290 Voltage Transformer is widely used in:
Power grid systems
Substations
Industrial power distribution
Energy metering systems
Relay protection applications

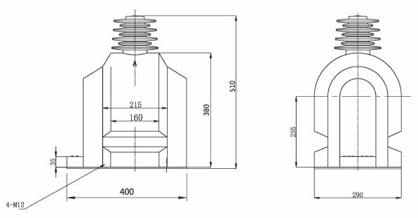
Outline and Dimensions of Installation

Wiring Principles for DZX9-35KV Voltage Transformers

Ordering Information

To ensure the transformer perfectly matches your system requirements, please specify:

Voltage ratio
Accuracy class
Rated output
Special requirements (if any)

For customized solutions, Comewill’s technical team is ready to provide professional support from design to delivery, ensuring reliable and efficient operation in your power system. Welcome to contact us and get a quote now!

Hot Tags: JDZX9-35D/290 Voltage Transformer, China, Manufacturer, Supplier, Factory, Wholesale, Customized, in Stock, Made in China, Low Price, Quality
Send Inquiry
Contact Info
Send an inquiry to Comewill for switchgear, vacuum circuit breakers, current transformer. Get customized quotes, low prices or expert support from our China factory team.
X
We use cookies to offer you a better browsing experience, analyze site traffic and personalize content. By using this site, you agree to our use of cookies. Privacy Policy
Reject Accept