Products
HOME > Products
GGJ Low Voltage Combination Switchgear
  • GGJ Low Voltage Combination SwitchgearGGJ Low Voltage Combination Switchgear

GGJ Low Voltage Combination Switchgear

The GGJ Low Voltage Combination Switchgear developed by Welcome (Wenzhou) Electric Co., Ltd., a professional manufacturer in China, features computer-aided design and integrated microcomputer control technology to intelligently track and compensate reactive power. Boasting a rational structure and mature technology, it is widely applied in low-voltage power grids.

As a professional manufacturer in China, Comewill factory would like to provide you quality GGJ Low Voltage Combination Switchgear, which effectively boosts power factor, reduces reactive power loss, and enhances power supply quality. Controlled by an intelligent controller, it offers full functionality and reliable performance with automatic compensation, capable of raising the power factor to above 0.9.

The GGJ Low Voltage Combination Switchgear provides real-time display of grid power factor, covering both lagging (0.00-0.99) and leading (0.00-0.99) ranges. It comes equipped with comprehensive protection functions against overvoltage, excessive harmonics, overcompensation, system faults, phase loss, overload, and more. It retains set parameters even during power outages, automatically resuming operation once the grid stabilizes—no on-site personnel required.

Based on grid load balance, GGJ Low Voltage Combination Switchgear supports phase-by-phase compensation or mixed compensation modes. With strong anti-interference capability, it withstands 2000V amplitude interference pulses directly from the grid, exceeding national industry standards. Every hour, the device measures and records three-phase voltage, current, frequency, active power, reactive power, power factor, active energy, reactive energy at the transformer’s low-voltage side, as well as total voltage/current distortion rates and 2nd to 25th harmonic content. Equipped with RS-232 and RS-485 interfaces, it enables data transcription via handheld computers.

Through remote communication, it achieves wireless meter reading, device testing, parameter configuration, and access to real-time and recorded data. Its built-in data analysis function supports processing, statistics, and querying of operational load data. It comprehensively evaluates power supply quality by calculating voltage qualification rate, load rate, reliability rate, and maximum load rate. Users can check power factor, active power, and reactive power for different time periods, generate curves for phase voltage, current, power factor, etc., and print comprehensive analysis and statistical reports.

Enforce standards

IEC439:《Low-voltage Switchgear and control equipment》
GB7251:《Low-voltage Switchgear》

Type description

Normal service condition

1.The ambient air temperature shouldn’t go above +40℃ or below -5℃, and the 24-hour average temperature can’t exceed +35℃. If these temperature limits are crossed, you’ll need to derate the device’s capacity for operation based on actual conditions.
2.This GGJ Low Voltage Combination Switchgear is designed for indoor use only, and the installation site’s altitude must not surpass 2000 meters.
3.When the maximum temperature hits +40℃, the ambient air’s relative humidity should stay under 50%. At lower temperatures, higher humidity is acceptable—for instance, 90% at +20℃. You should also account for occasional condensation that might form due to temperature fluctuations.
4.During installation, the device’s tilt from the vertical plane can’t be more than 5°, and the entire row of cabinets should be relatively level. It’s important to install the device in a location free from severe vibration and impact, where electrical components won’t be exposed to excessive corrosion.

Cabinet width (A) Cabinet depth (B) Mounting hole spacing (a) Mounting hole spacing (b)
800 500 685 385
600 800 485 685
600 1000 485 885
800 800 685 685
800 1000 685 885
1000 800 885 685
1000 1000 885 885
Item Parameters
Rated lnsulation Voltage (V) 660
Rated Operating Voltage (V) 380/660
Auxiliary Circuit Rated Voltage (V) AC 220/380
DC 110/220
Operating Frequency (Hz) 50- 60
Rated current(A) Horizontal Bus-bar <3150
Vertical Bus-bar 630/800
Rated Short-time withstand Current Midline (kA/1 s) 50
Bus-bar (kA/1 s) 30
Rated Peak current (kA/0.1 s) 105/50
Functional Unit Breaking Capacity (kA) 50 (effective value)
Cabinet Protection Degree IP40
Bus-bar Three phase four wire system, three phase five wire system
Operating Mode On-site, distance and automatic

Strength

1.For procurement considerations: The GGJ Low Voltage Combination Switchgear from Welcome (Wenzhou) Electric Co., Ltd. comes with multiple ventilation slots at both the top and bottom of the cabinet. This design creates a natural bottom-to-top airflow inside the sealed cabinet, effectively addressing heat dissipation challenges for reliable operation.
2.The switchgear’s instrument door—equipped with electrical components—and internal mounting parts form a complete grounding protection circuit, ensuring consistent grounding continuity at all times.
3.We position the main busbars at the upper rear of the cabinet, paired with AMJ-type busbar clamps crafted from high-strength unsaturated polyester DMC/SMC materials. These clamps deliver exceptional mechanical strength and insulation performance, while the removable cabinet top cover simplifies on-site assembly and adjustment of the main busbars.
4.The cabinet features electrostatic powder coating for strong adhesion, and all internal components undergo galvanization and passivation treatments. This enhances the switchgear’s “three-proof” capabilities: moisture resistance, dust resistance, and corrosion resistance, extending its service life in diverse environments.
5.To fit different project needs, the GGJ Low Voltage Combination Switchgear supports multiple cable entry options—top entry, bottom entry, and rear entry—offering flexible installation for procurement projects.

Ordering instructions

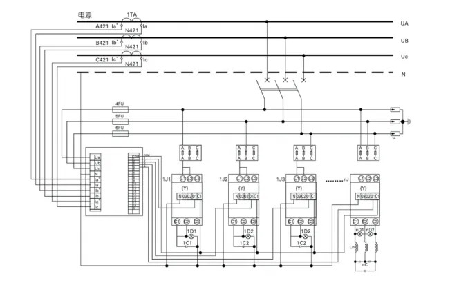
◇ Main circuit diagram;
◇ Compensation capacity and compensation method;
◇ If it does not conform to the normal operating conditions of the product, it must be specified in advance.


Hot Tags: GGJ Low Voltage Combination Switchgear, China, Manufacturer, Supplier, Factory, Wholesale, Customized, in Stock, Made in China, Low Price, Quality
Send Inquiry
Contact Info
Send an inquiry to Comewill for switchgear, vacuum circuit breakers, current transformer. Get customized quotes, low prices or expert support from our China factory team.
X
We use cookies to offer you a better browsing experience, analyze site traffic and personalize content. By using this site, you agree to our use of cookies. Privacy Policy
Reject Accept